
Product Description


| Reference designation | Fig | Conditional
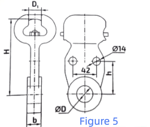
diagram ofspherical jointclutch | Clamp type | Dimensions,mm | Minimumfailing load, kN | Weight, kg | ||||
| D1 | D | b | H | h | ||||||
| Y1K-7-16 | 3 | 16A | W-16A | 19.2 | 17 | 16 | 77 | - | 70 | 0.57 |
| Y1-7-16 | 1 | 16A | W-16A | 19.2 | 17 | 16 | 96.5 | 37 | 70 | 0.61 |
Y1-12-16 | 1 | 16A | W-16A | 19.2 | 23 | 22 | 102.5 | 44 | 120 | 1.0 |
| 4 | V-16A | 0.86 | ||||||||
| Y1-16-20 | 2 | 20 | W-20 | 23.0 | 26 | 25 | 113.5 | 50 | 160 | 1.45 |
| 4 | V-20 | 1.19 | ||||||||
| Y1-21-20 | 2 | 20 | W-20 | 23.0 | 29 | 28 | 130.5 | 57 | 210 | 2.04 |
| 5 | V-20 | 1.68 | ||||||||
| Y1-30-24 | 2 | 24 | W-24 | 27.5 | 38 | 36 | 150 | 65 | 300 | 4.7 |
| 5 | V-24 | 2.98 | ||||||||
| Y1-40-28 | 2 | 28 | W-28 | 32 | 42 | 40 | 190 | 85 | 400 | 8.15 |
| 5 | V-28 | 5.7 | ||||||||
| Y1-53-32 | 2 | 32 | V-32 | 36 | 44 | 42 | 190 | 84 | 530 | 9.4 |
Product Display

Company Profile
Electric Powertek Company Ltd. was established on July28,2017,and is located at No.77,East District, Sixian Industrial Zone,Renqiu City, Cangzhou City,Hebei Province.It is an enterprise integrating R&D, production and sales. The company mainly engages in lightning protection and grounding series products and electric power fitting series products.Our products comply with ISO,UL,CE and BS standards. Our prod- ucts have been exported to many countries and regions such as the UnitedStates, the Middle East, Europe, Africa, Asia, Australia, New Zealand, South Amer- ica and Central America. We have a professional sales team, solve problems through technology, provide one-stop solutions, and offer customers worry-free services.Welcome both new and existing customers to visit our factory. For contact information, please call 18611252796.



Please click the link in the description for more product information!
Factory Environment &Machinery Equipment


Customer Inspection



Contact Me
lf you are interested in our products, please feel free to contact me!
We are ready to help you develop the market with our high-quality products at any time, andwe also hope to become your Chinese supplier to provide the best support and service for yourongoing and future projects.
Packing

Partner customers

cooperative client
Our cooperative client are all over the world and our products are very popular all over the world. Manyproducts are exported to Russia, USA, Australia, Canada, South Africa, Kenya, Tanzania, Zambia, Brazil andArgentina. Chile, Southeast Asian countries and other international markets. With first-class technical abilityand perfect pre-sale and after-sales service guarantee system, we have established a good reputation between enterprises and users.
