
Product Description

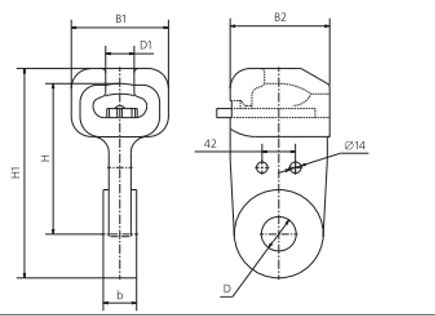
Reference designation | Dimensons,mm | Minimum failing load, kN | Weight. kg | ||||||
| B1 | B2 | b | D | D1 | H | H1 | |||
| U1-53-32 | 122 | 125 | 42 | 44 | 36 | 190 | 265 | 530 | 9.4 |
Socket eye of U1-53-32 type is intended for couping a pin of a string insulatorunit or a ball eye with another line fitting.Socket of the bal and socket couping of the socket eye is designed in compiancewith GosT 27396-93.Coupling dimensions comply, with GOsT 11359-75 requirements.Socket eye is supplied complete with W-clips intended for locking of insulator pinsor ball eye balls.
Company Profile




Please click the link in the description for more product information!
Factory Environment and Machinery Equipment







Customer inspection.



Contact Me
lf you are interested in our products, please feel free to contact me!
We are ready to help you develop the market with our high-quality products at any time, andwe also hope to become your Chinese supplier to provide the best support and service for yourongoing and future projects.
packing&Delivery


Partner customers

cooperative client
Our cooperative client are all over the world and our products are very popular all over the world. Manyproducts are exported to Russia, USA, Australia, Canada, South Africa, Kenya, Tanzania, Zambia, Brazil andArgentina. Chile, Southeast Asian countries and other international markets. With first-class technical abilityand perfect pre-sale and after-sales service guarantee system, we have established a good reputation between enterprises and users.
